电气设备结构设计中尺寸标注的合理性
摘要
关键词
结构设计;设计基准;工艺基准;尺寸标注
正文
1、前言
怎样选择基准进行尺寸标注才能满足设计要求和工艺要求,也就是既满足设备在使用中能很好地承担工作的要求,又能满足设备的制造、加工、测量和检验的要求,这一要求通常归结为标注尺寸的合理性。为了能够做到合理,在标注尺寸时,必须对设计对象进行结构分析、工艺分析和形体分析,确定设计对象的基准,选择合理的标注形式,结合具体情况合理地标注尺寸。
2、基准
2.1基准的概念
一个电气设备例如控制箱是由若干平面组成的,它们之间有一定的相互定位及定形尺寸的要求,所以在加工及安装过程中,必须相应地以某个或某几个平面的位置为依据来定位及加工出其他相关的平面,以保证设计图上所规定的形体的定位、定形尺寸要求,这种平面间的各种尺寸的相互依赖关系,就引出了基准的概念。所谓基准,就是形体在加工及测量时用来确定其他点、线、面位置的那些点、线或面。
2.2基准的分类![]()
根据基准的功用的不同,又可分为设计基准和工艺基准两大类。
(1)设计基准:是在形体结构设计图上用来确定其他点、线、面的位置的基准,设计基准是由电气设备在产品结构中的功用来决定的。
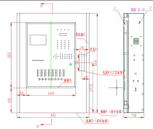
例如:图2-1中的某箱体,面板B的设计基准就是箱体底面D及左侧面;孔K的设计基准在垂直方向是底面D,在水平方向是导向面E;设计基准是由电气设备在产品结构中的功用来决定的。
图2-1
(2)工艺基准:是在加工或测量时用来确定构件位置的一些面、线或点。按照用途的不同又可分为定位基准、度量基准、装配基准等等。因为基准是每个方向尺寸的起点,所以,在三个方向(长、宽、高)都应该有基准。这个基准一般称为主要基准。除主要基准外的基准都称为辅助基准。主要基准与辅助基准之间应有尺寸联系。
2.3基准的选择
所谓选择基准,就是在标注尺寸时,是从设计基准出发还是从工艺基准出发。
从设计基准出发标注尺寸,其优点是在标注尺寸上反映了设计要求,能保证所设计的形体在使用中的工作性能。从工艺基准出发标注尺寸,其优点是把尺寸的标注与形体的加工制造联系起来,在标注尺寸上反映了工艺要求,使形体便于制造、加工和测量。
当然,在标注尺寸时,最好是把设计基准和工艺基准统一起来。这样既能满足设计要求,又能满足工艺要求。如两者不能统一时,应以保证设计要求为主。
3、举例说明
3.1 电气设备-消防联动控制盘H8810C概况
消防联动控制盘H8810C是一安装盘,主要安装在消防联动控制台上,一般称为“黑匣子”。该控制盘结构上大体可分为箱体组合、内门组合等等。其中内门组合是由内门体、外贴膜装配而成,图3-1为外贴膜图,该外贴膜是贴在门体正面的,内门体反面还要安装3块线路板,线路板上有灯和按键,图3-1中圆孔所表示的都是线路板上灯的安装位置;方孔表示的都是线路板按键的安装位置。

图3-1
3.2 尺寸分析
3.2.1 首先要直接标注出功能尺寸
线路板上除了定位孔之外,灯和按键之间的尺寸属于功能尺寸。功能尺寸是指那些影响产品工作性能、精度及互换性的重要尺寸。功能尺寸一定要直接标注出来,这样就能够直接提出尺寸公差、形状和位置公差的要求,还何以避免加工误差的积累,以保证设计要求。所以,贴膜、内门体上的圆孔、方孔的中心距以及表示它们之间相对位置的尺寸都为功能尺寸,可直接标出,标注时应与线路板上的这些尺寸保持一致,例如:方孔I中的孔距
,
以及表示这两种孔相对位置的竖直方向的尺寸20等。方框II中的孔距
,
,
,
,
,
,
以及表示各组孔之间的竖直方向上的尺寸43,15.3,38,35.9,13,17;水平方向的尺寸
,
,
等。
3.2.2选择基准
除去上述功能尺寸之外,标注其他尺寸都需要有基准,在标注图3-1、3-2这两张图的尺寸时,所选择的设计基准和工艺基准是统一的,由于贴膜、内门体、线路板这三者是组装在一起的,所以,在标注这三张图定位孔在每个方向上的起点位置尺寸时采用的基准就应该是一致的。否则将会造成灯、键等由于基准不重合而产生安装误差等一系列问题。
例如:图3-1中图框I中的定位孔K水平方向的定位尺寸61.5所采用的基准是边A,竖直方向的定位尺寸35.5所采用的基准是边B,图3-2中图框I中的定位内螺纹支柱KK水平方向的定位尺寸39.2所采用的基准也是边A,竖直方向的定位尺寸20所采用的基准也是边B;图3-1中图框II中的定位孔F水平方向的定位尺寸
所采用的基准是边D,竖直方向的定位尺寸
所采用的基准是边B,图3-2中图框II中的定位内螺纹支柱FF水平方向的定位尺寸29.5所采用的基准也是边D,竖直方向的定位尺寸
所采用的基准也是边B。
4、结论
综上所述,标注电气设备尺寸时要进行结构分析,确定表达方案,在对电气设备的工作性能和加工、测量方法充分理解的基础上,(1)进行尺寸分析,根据设计要求标注出功能尺寸;(2)进行标注基准的选择(3)考虑工艺要求,标注出非功能尺寸;(4)用形体分析、结构分析法补全和检查尺寸,同时计算三个方向的尺寸链是否正确,尺寸数值是否符合标准数系。只有这样,才能做到标注尺寸的合理性。
参考文献 [1]清华大学工程图学及计算机辅助设计. 机械制图(第4版).高等教育出版社
[2]王斌、郑德超. 机械制图与CAD基础. 机械工业出版社,2018.
附:第一作者简介:宿茹 1971年9月 河北石家庄人 高级工程师 大学本科 主要从事电气设备的设计研发及高等教育
...